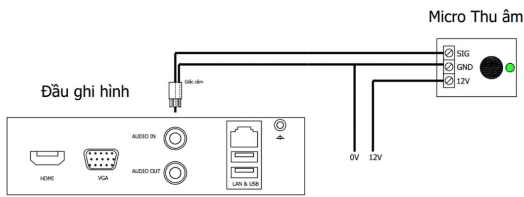
HƯỚNG DẪN KẾT NỐI MICRO THU ÂM CHO CAMERA IP VÀ ĐẦU GHI HÌNH HIKVISION
Ngày đăng: 26-05-2021
10,271 lượt xem


Ngoài ra bạn có thể tham khảo thêm: Cách cấu hình gởi cảnh báo qua email trên đầu ghi camera Hikvision

.png)




HIKVISION - CAMERA BÁN CHẠY SỐ 1 THẾ GIỚI
-----------------------------------------------------
![]()
HOTLINE:
08 9898 0626
Tổng truy cập 8,894,679
Đang online51
Phân phối và lắp đặt hệ thống camera HIKVISION
Phân phối và lắp đặt hệ thống camera HILOOK
Phân phối và lắp đặt hệ thống camera EZVIZ
Sửa chữa camera, đầu ghi hình HIKVISION
Sửa chữa camera, đầu ghi hình HILOOK
Sửa chữa camera, đầu ghi hình EZVIZ
Chuông hình - Chuông cửa - Máy chấm công Hikvision
CÔNG TY TNHH THÀNH CÔNG TRƯỜNG THỊNH
0313700779
08 9898 0626
1190 Phạm Thế Hiển, Phường 5, Quận 8, TP.HCM
© Bản quyền thuộc về Hikvisionvietnam.net
- Powered by IM Group
<<< Nếu bạn cần dịch vụ hỗ trợ tận nơi tại TP Hồ Chí Minh có thể xem và liên hệ ngay nhé
08 9898 0626
Gửi bình luận của bạn