Cách sử dụng DS-K1T804A Fingerprint Terminal kết nối với đầu đọc thẻ bằng Wiegand

Cách sử dụng DS-K1T804A Fingerprint Terminal kết nối với đầu đọc thẻ Wiegand: Cài đặt cấu hình trên terminal, kết nối dây Wiegand với đầu đọc thẻ, và xác nhận kết nối qua phần mềm quản lý.

Ngày đăng: 12-08-2024

531 lượt xem

Bài viết này sẽ giới thiệu cách sử dụng Thiết bị đầu cuối vân tay DS-K1T804A kết nối với đầu đọc thẻ bằng Wiegand.
 

Thiết bị:

 
 

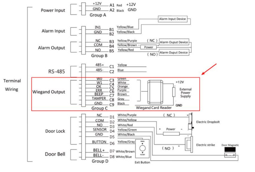
1. Kết nối dây

 
  • a) Kết nối thiết bị đầu cuối vân tay và đầu đọc thẻ: Sử dụng giao diện Wiegand để kết nối hai thiết bị này. Thực hiện theo chỉ dẫn trong hình bên dưới.
  • b) Nguồn điện: Cung cấp nguồn điện cho thiết bị đầu cuối vân tay và đầu đọc thẻ tương ứng
  • c) Mạng: Kết nối thiết bị đầu cuối vân tay, đầu đọc thẻ, cũng như máy tính để cấu hình chuyển đổi.
 
  • Lưu ý: phải kết nối GND/W0/W1
 
d) Công tắc DIP: đặt công tắc DIP của đầu đọc thẻ thành 0000 0100 có nghĩa là bật giao thức Wiegand.
 
 

2. Cấu hình

 
  • a) Thêm thiết bị đầu cuối vân tay vào nền tảng IVMS-4200. Đảm bảo trạng thái mạng của thiết bị đang trực tuyến
 

 

  • b) Vui lòng kiểm tra phần mềm hệ thống, nếu không phải là phiên bản mới nhất, vui lòng nâng cấp phần mềm hệ thống của thiết bị đầu cuối vân tay
 
 
  • c) Kiểm tra hướng giao tiếp Wiegand 804A và chế độ xác thực.
 
 
 
  • d) Tạo một người, đăng ký dấu vân tay và số thẻ cho người thử nghiệm.
 
 
  • e) Áp dụng thử nghiệm cho thiết bị 804A.
 
 
  • e) Kiểm tra trạng thái áp dụng dữ liệu, đảm bảo dữ liệu đã được áp dụng thành công.
 
 
  • f) Kiểm tra, xem sự kiện thực tế từ trung tâm sự kiện, đảm bảo thiết bị đã được kích hoạt cho 4200 này. Nếu không được kích hoạt, hãy thông báo cho IP kích hoạt để hủy kích hoạt hoặc xóa nó. Sau đó, bạn có thể thêm lại.
 
 
 
 
 
Đừng ngại, hãy bắt máy GỌI NGAY để được hướng dẫn và tư vấn miễn phí:
 
 

HIKVISION - CAMERA BÁN CHẠY SỐ 1 THẾ GIỚI

 

-----------------------------------------------------

 

 

 

 

Bình luận (0)

Gửi bình luận của bạn

Captcha
DMCA.com Protection Status
vebo tv vebo xoilac xoilac tv xemtv xoilac tv xoilac Xoilac TV